De Zehnder ComfoPost is een duurzame oplossing om een optimaal binnenklimaat te creëren in huis. Deze koel- en verwarmingsbatterij maakt het namelijk mogelijk om een woning te verwarmen of te koelen en tegelijkertijd ontvochtigen met behulp van ventilatie.
De ComfoPost koelt de verse toevoerlucht met behulp van koud water. Dit koude water komt van de warmtepomp die al in de woning aanwezig is. (, of uit een stadskoudenetwerk. Check Berjan)
Hierdoor kan de Zehnder ComfoPost snel voor een aangenaam binnenklimaat zorgen door het debiet van de warmteterugwinning-unit tijdelijk te verhogen.
De ComfoPost kan de toevoerlucht ook voorverwarmen door gebruik te maken van stadswarmte of de warmtepomp.
Hierdoor kan de Zehnder ComfoPost zuivere lucht effectief voorverwarmen voordat deze de woning binnenkomt wat bijdraagt aan een comfortabel en energiezuinig binnenklimaat.
Deze koel- en verwarmingsoplossing is eenvoudig en veelzijdig te installeren en kan gecombineerd worden met onze warmteterugwinning-units zoals de ComfoAir Q.
Montage:
De Zehnder ComfoPost wordt zonder aansluitplaten en montagebeugels geleverd. Afhangend van het project dienen deze los bijbesteld te worden.
De ComfoPost wordt aangesloten op het luchttoevoerkanaal met behulp van ComfoWell aansluitplaten. De ronde aansluitingen van deze ComfoWell platen variëren van 160 tot 200 DN. Dit afhankelijk van de gekozen ComfoPost variant.
Ook kan er gekozen worden voor ComfoWell verdeelplaten voor ComfoTube 90 & ComfoTube Flat 51.
De Zehnder ComfoPost kan zowel horizontaal als verticaal worden gemonteerd.
Bij horizontale plaatsing dienen de aansluitingen zich aan de zijkant te bevinden om een goede condensafvoer te garanderen. Montage met waterzijdige aansluiting boven- of onderaan is niet mogelijk.

Bij verticale plaatsing dient de luchtrichting altijd omhoog gericht te zijn om een goede condensafvoer te garanderen.

Aansluitingsmogelijkheden:
De Zehnder ComfoPost is ontworpen met flexibiliteit in gedachten. Afhankelijk van de beschikbare ruimte, het ventilatiesysteem en de technische opstelling kan de unit op verschillende manieren in het luchttoevoerkanaal worden geïntegreerd.
Aan de hand van onderstaande schema’s ziet u als installateur de meest voorkomende installatievarianten. Deze tonen hoe de veelzijdige ComfoPost eenvoudig kan worden aangesloten op een ventilatie-unit en warmtepompsysteem.
In deze toepassing wordt gebruikgemaakt van een 3-wegklep, aangestuurd op basis van de buitentemperatuur. Afhankelijk van de condities schakelt de warmtepomp de 3-wegklep tussen de Zehnder ComfoPost en het afgiftesysteem.
In de zomersituatie levert de lucht-water warmtepomp gekoeld water van circa 7°C aan de ComfoPost. Hiermee wordt de toegevoerde ventilatielucht actief gekoeld en ontvochtigd, wat bijdraagt aan een stabiel en comfortabel binnenklimaat.
In de wintersituatie schakelt de 3-wegklep naar de vloerverwarming, waarbij de warmtepomp warm water levert voor ruimteverwarming. Dit zorgt voor een gelijkmatige warmteafgifte met een hoog rendement.
Deze regeling maakt een efficiënte en automatische omschakeling tussen koel- en verwarmingsbedrijf mogelijk, afgestemd op de buitentemperatuur.

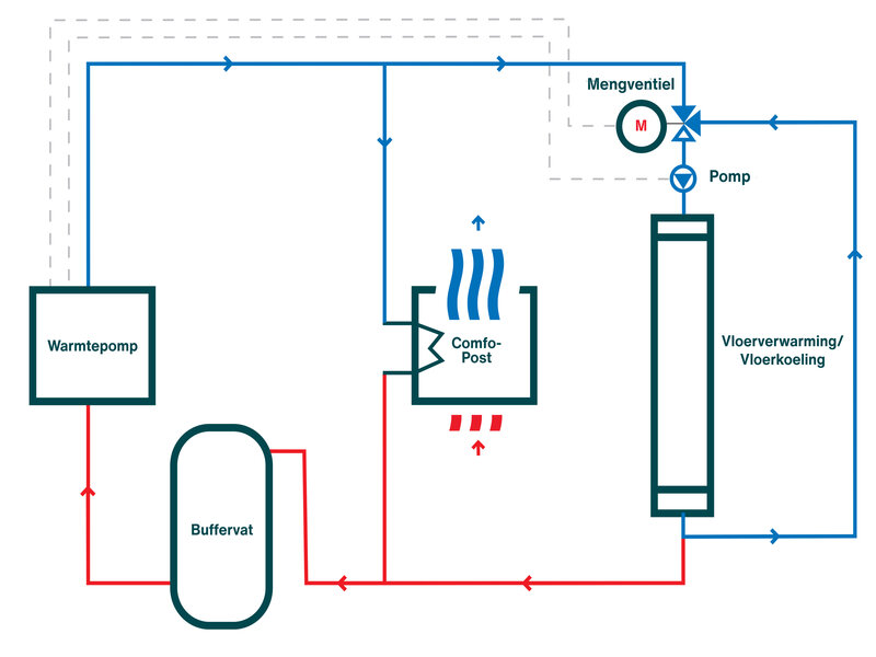
In deze toepassing wordt een 3-wegklep gecombineerd met een mengventiel, aangestuurd op basis van de buitentemperatuur. De warmtepomp schakelt tussen de Zehnder ComfoPost en de vloerverwarming.
In de zomersituatie levert de warmtepomp gekoeld water (ca. 7°C) aan de ComfoPost voor het actief koelen en ontvochtigen van de ventilatielucht (diepkoeling). Gelijktijdig maakt het mengventiel het mogelijk om de vloerverwarming in te zetten voor aanvullende koeling, waarbij de watertemperatuur wordt begrensd boven het dauwpunt om condensvorming te voorkomen.
Dit resulteert in een efficiënte en veilige combinatie van ontvochtigen, diepkoelen en comfortabele vloerkoeling.
In de winter schakelt het systeem naar verwarmingsbedrijf en wordt warm water naar de vloerverwarming of ComfoPost gestuurd.

De ComfoPost is ontworpen voor gebruiksgemak tijdens installatie. De unit kan zowel horizontaal als verticaal worden geplaatst met waterzijdige aansluitingen aan de zijkant voor optimale condensafvoer. Dankzij de goed ontworpen ComfoWell verdeelplaten is er voldoende ruimte voor alle ComfoTube-Therm-leidingen, zelfs bij systemen met meerdere groepen. Dit zorgt voor overzicht en comfort voor u als installateur tijdens de montage.
Als installateur profiteert u van servicevriendelijke aansluitingen zoals universele ½ duims aansluiting. Hierdoor kan de unit snel worden losgenomen of onderhouden zonder grote demontage van het leidingwerk. Ontluchters en vaste condensafvoerpunten zorgen ervoor dat onderhoud efficiënt kan worden uitgevoerd, terwijl lekkage en geurproblemen worden voorkomen.
De ComfoPost werkt optimaal in combinatie met een lucht-water warmtepomp. Het systeem kan zowel koelen (bij circa 7–10 °C water) als verwarmen waardoor het hele jaar door een comfortabel binnenklimaat wordt gecreëerd. Voor u als installateur betekent dit een betrouwbare en energie-efficiënte oplossing die eenvoudig kan worden afgestemd op bestaande verwarmings- of koelsystemen.
De unit beschikt over meerdere condensafvoerpunten, die eenvoudig kunnen worden samengevoegd in één afvoerslang. Door de ComfoPost waterpas stevig te monteren, blijft de unit stabiel bij aansluiting van het luchtkanaalwerk, wat ongewenste bewegingen en condenslekken voorkomt.
Als installateur kunt u de voordelen van de ComfoPost makkelijk uitleggen: comfortabele toevoerlucht die efficiënt wordt gekoeld, verwarmd en ontvochtigd, gecombineerd met energie-efficiëntie en een gezond binnenklimaat. Dit maakt het eenvoudiger om uw klanten te overtuigen over de meerwaarde van deze installatie.
De ComfoPost combineert installatiegemak met duurzame prestaties waardoor u als installateur een betrouwbaar, overzichtelijk en onderhoudsvriendelijk systeem kunt leveren dat bijdraagt aan een gezond en comfortabel binnenklimaat.

Jerôme Corba, systeem adviseur Zehnder
De ComfoPost zorgt ervoor dat uw klant altijd kan genieten van een comfortabel binnenklimaat ongeacht het seizoen.
Door de toevoerlucht efficiënt te verwarmen, koelen en ontvochtigen regelt de unit zowel de temperatuur als de luchtvochtigheid voor maximaal comfort.
Dankzij het gebruik van afvoerlucht en vloerverwarming reageert het systeem snel op veranderende omstandigheden. Dit terwijl de na-verwarmingfunctie ook tijdens koude winterdagen zorgt voor een aangename warmte.
Het behalen van de koel- en warmtevraag is zéér belangrijk. Kleinere ruimtes hebben een kleine oppervlakte waardoor er te weinig koelvermogen wordt gegeven via de vloerkoeling. Ventilatie kan hier een extra boost voor geven.
Zo combineert de ComfoPost direct comfort, energie-efficiëntie en een gezond binnenklimaat.

De Zehnder ComfoPost wordt geplaatst in het luchttoevoerkanaal van de woning, na de warmteterugwinning-unit. Dit kan zowel in de technische ruimte als verderop in het luchttoevoerkanaal. Om te voorkomen dat er in de kanalen warmte of koeling verloren gaat of zelfs condensatie ontstaat, dienen de toevoerkanalen in de woning thermisch geïsoleerd te worden.
Het is ook belangrijk dat de luchtdistributie de volgende eigenschappen bezit:

Eindgebruiker ComfoPost
ClimateSwitch bundelt slimme oplossingen voor ventilatie, koeling en verwarming in één toekomstgericht systeem. De ComfoPost maakt hier deel van uit als aanvullende module die het totaalconcept versterkt.
Binnen de ClimateSwitch-campagne draagt de ComfoPost bij aan een comfortabel en gezond binnenklimaat, vooral tijdens warmere periodes. Als add-on sluit hij naadloos aan op het systeem en helpt hij om het comfortniveau verder te optimaliseren. Zo past de ComfoPost perfect binnen de visie van ClimateSwitch: een flexibel en energie-efficiënte klimaatoplossing dat meebeweegt met de seizoenen.
